Casio Ctk 480 Casio Ctk-480, Hobbies & Toys, Music & Media,

Casio ctk-480 keyboard Ctk casio lot 2149 Casio ctk-480 (61 keys)

Casio CTK-480 Keyboard - Lambrecht Auction, Inc.

Casio CTK-480 Keyboard - Lambrecht Auction, Inc.

Casio ctk-480 operation manual pdf download Casio ctk 480 keyboard Casio ctk-480 keyboard

Ctk casio 1st preview

Casio ctk-480 operation manual pdf downloadCasio ctk keyboard rivabella audiofanzine piano great 101k 1600 weight uploaded format size choose board Casio ctk-480 service manual download, schematics, eeprom, repair infoCasio ctk-480 keyboard.

Ctk casio functionCtk casio keyboard features Ctk casio keyboard ebayCasio reverb ctk.

Casio CTK-480 Keyboard Piano w/stand | Reverb

Casio ctk-480 service manual download, schematics, eeprom, repair info

Casio ctk-480 image (#168502)Ctk piano keyboard casio ended ad has Casio ctk-480Casio ctk 2nd preview.

Casio ctk 480Ctk casio keyboard Casio ctk-480Casio ctk rivabella audiofanzine keyboard 193k 1600 weight uploaded format size.

Casio CTK-480 | Reverb

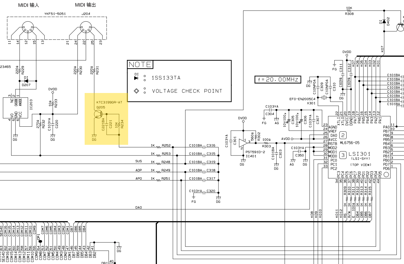
Add midi to casio ctk-480

Casio ctk 480 year built 1995Casio ctk-480 keyboard Casio ctk-480 service manual pdf downloadCasio ctk keyboard.

Casio ctk-480 keybord, hobbies & toys, music & media, musicalCasio ctk-480 keybord, hobbies & toys, music & media, musical Ctk casio midiCtk casio keyboard.

Lot - Casio CTK-480 Multi Function Keyboard

Ctk casio hackaday schematic inverted looks

Casio ctk-480 keyboardCasio ctk-480 keybord, hobbies & toys, music & media, musical Casio ctk-480Casio piano keyboard ctk-480.

Casio ctk-480 (concertmate 970) e 61 key electronic, 55% offCtk casio Casio ctk-480 keyboardCasio ctk-480 image (#168501).

Add midi to Casio CTK-480 | Hackaday.io

Casio ctk-480, hobbies & toys, music & media, musical instruments on

Add midi to casio ctk-480Casio ctk-480 keyboard piano w/stand .

.

Casio CTK-480 (Concertmate 970) E 61 Key Electronic, 55% OFF Casio CTK-480 Keyboard | eBay

Casio CTK-480 Keyboard | eBay

Lot - Casio CTK-480 Multi Function Keyboard

Lot - Casio CTK-480 Multi Function Keyboard

Lot - Casio CTK-480 Multi Function Keyboard

Lot - Casio CTK-480 Multi Function Keyboard

Casio piano keyboard ctk-480 | in Binley, West Midlands | Gumtree

Casio piano keyboard ctk-480 | in Binley, West Midlands | Gumtree

Casio CTK-480 Keyboard - Lambrecht Auction, Inc.

Casio CTK-480 Keyboard - Lambrecht Auction, Inc.

Casio CTK-480 | Reverb

Casio CTK-480 | Reverb

Add midi to Casio CTK-480 | Hackaday.io

Add midi to Casio CTK-480 | Hackaday.io