Cat Sensor Timing China Caterpillar Sensor Manufacturers, Su
Sensor timing caterpillar slideshare How to replace your litterrobot's cat sensor community Perfect timing : r/catpictures
Litter-Robot Tip #1: Adjusting The Cat Sensor
Caterpillar timing Learn caterpillar machines: how to manner of calibrate timing sensor at Litter-robot 4 cat presence sensor installation guide
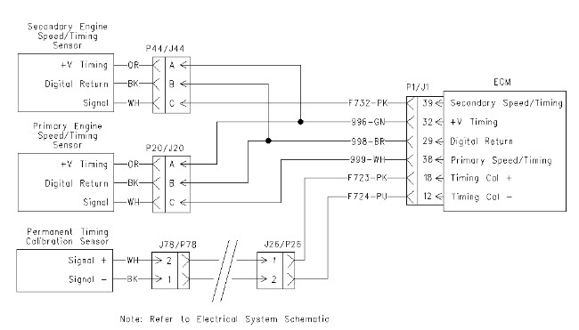
Caterpillar engine speed timing sensor circuit test
Find arctic cat ignition timing sensor f570 2007-2014 bearcat 570Caterpillar engine speed timing sensor circuit test Timing c12 caterpillar camshaft engines fitsCaterpillar engine speed timing sensor circuit test.
Arctic cat 2014-20 bearcat wildcat zr trail cam position timing sensorCaterpillar timing Timing and speed sensor location on a cat c12 03 2ks modelCat cams timing accessory.
Cat automatic timing pin tool
China caterpillar sensor manufacturers, suppliersLitter-robot tip #1: adjusting the cat sensor Temperature sensor , catCat pressure sensor.
Litter-robot 4 cat presence sensor installation guideCaterpillar c15 engine camshaft timing sensor 2016617 Arctic cat sensor timing coil 3002-576 01-096 "robin's marine" – robinCaterpillar engine speed timing sensor circuit test.

Litter-robot 4 cat presence sensor installation guide
Caterpillar engine speed timing sensor circuit testCaterpillar timing Caterpillar engine speed timing sensor circuit testCaterpillar engine speed timing sensor circuit test.
Camshaft timing sensor, fits caterpillar c12 enginesCaterpillar c15 engine camshaft timing sensor 2016617 Caterpillar c15 camshaft timing sensor 2016617Sensor caterpillar timing.

Timing and speed sensor location on a cat c12 03 2ks model
Pet cat dog timing feeder auto pet timing feeder best ⋆ petsep.comCamshaft timing sensor, fits caterpillar c15 engines Sensor speed timing caterpillarSensor calibrate timing caterpillar.
How to replace your litterrobot's cat sensor communityCat engine timing Sensor irv2 sensors 3126b viewsCaterpillar engine speed timing sensor circuit test.

Cat engine sensor
For caterpillar cat e320d/323d high-pressure oil pump timing speedEngine sensor speed circuit timing caterpillar test slideshare Sensor caterpillar timing c15 engines camshaft.
.


Caterpillar engine speed timing sensor circuit test

Learn Caterpillar Machines: How to manner of calibrate timing sensor at
Arctic Cat 2014-20 Bearcat Wildcat ZR Trail Cam Position Timing Sensor

Caterpillar engine speed timing sensor circuit test

Litter-Robot Tip #1: Adjusting The Cat Sensor

Caterpillar engine speed timing sensor circuit test

Temperature Sensor , CAT